-
Posts
381 -
Joined
-
Last visited
-
Days Won
5
Content Type
Profiles
Forums
Store
Gallery
Downloads
Calendar
C-130 Hercules News
Posts posted by munirabbasi
-
-
-
thanks
munir abbasi
-
On 3/12/2016 at 7:30 PM, munirabbasi said:
Hello expertise ,Caution: Ensure that the underfloor heating and fan switches are in the OFF position during engine starting and switching of generator loads from one to another.Failure to comply could result in a burned−out generator control panel. HOW ? if so Which part of control panel will burnt out explain
Munir Abbasi
Hello expertise reply
munir abbasi
-
thanks
munir abbasi
-
In-flight ,APU generator can energise the main AC bus if all engine generator are failed if not why? 40 kva generator capable to hot two AC buses
munir abbasi
-
Hello expertise ,Caution: Ensure that the underfloor heating and fan switches are in the OFF position during engine starting and switching of generator loads from one to another.Failure to comply could result in a burned−out generator control panel. HOW ? if so Which part of control panel will burnt out explain
Munir Abbasi
-
NATOP1 agree but how it can smooth cut off the fuel during defueling operation. instead of butterfly it canbe designed shutter valve.
munir abbasi
-
thanks
munir abbasi
-
what is purpose of fuel offload valve . How it smooth cutoff duing offloading of fuel with dump pump.
munir abbasi
-
Check wirings circuit of system
munir abbasi
-
On 1/25/2016 at 11:30 PM, tinyclark said:
I can only see it as a hardware issue. Is this only on one engine generator? Maybe it is excess vibration. I have no information on the hardware installation. That is in T.O. 8A6-9-5-3.
Tinyclark can you send copy of T.O. 8A6-9-5-3.
munir abbasi
-
On 1/16/2016 at 1:52 PM, eliasafr said:
With 4 eng low when feathering pump on for feathering the prop on ground check atm generator light goes on. We changed the atm gen and atm but prob remain same.............need ur suggestion please.
Normally it happened due ATM regulating valve assembly. please cannibalize to other
munir abbasi
-
On 1/22/2016 at 7:18 PM, bischoffm said:
Are you saying the generator came loose from the gearbox, or did the generator come apart? Three times?
Excitation generator mounting screws (housing Screws) has broken from their main generator stator housing. cause could be vibration of generator shaft
Munir Abbasi
-
Aux motor relay contacts are pitted. open the relay contacts see the condition.
Munir abbasi
-
Tinyclark do you have color internal diagram of GPP. if , please sent.
Munir Abbasi
-
On 1/2/2016 at 11:26 AM, pjvr99 said:
where is oil leaving engine: turbine, #3 bearing lab seal vents, #2 bearing vents, 5th & 10th stage bleed valves wet, during climb or descent, level flight (altitude)? need a lot more information
ADH vent
munir abbasi
Thanks NATOPS 1
Munir abbasi
-
hello expertise
Engine oil suddenly loss during flight defect could repeat on ground operation
munir abbasi
-
Hello C-130 expertise tiny clark/NATOPS 1
Almost three time happened excitation generator detached ( separate) from its mounting during operation of aircraft engine. its mounting screws thread washout. screws came out along locking. please give me expert opinion
munir abbasi
-
Thanks Mr Bogi252
Oil source is engine RGB generator spline. regarding generator offering, q? free of cast for marketing. lockheed marten only recommend bendex or leyland specification. i need reason for generator burning
munir abbasi
-
13 hours ago, hehe said:
What model?
Sounds like you are having multiple engine generators failing? In flight, on ground, same engine? Give some details please.
Just want to clarify your issue before I throw out ideas
c-130 E model brushless leyland generator (CIP) VR GE . this happened when just landed and PL did reversing procedure
engine oil splash around the generator body. disassemble found diode output contact burnout. it happened several engine generator with same fashion.
munir abbasi
-
Hello C-130 expertise
AC engine generator (leland) exciter (rotor) burn out (defect trend ),reason could not find out. expert opinion is required.
Munir abbasi
home of hercules pakistan
-
On 11/15/2015, 2:00:46, MINHAS866 said:
switches with this type lines are called harmatically sealed switches so they can be used in emergency even in presence of fumes. normal switches can give spark that can ignite the fumes.
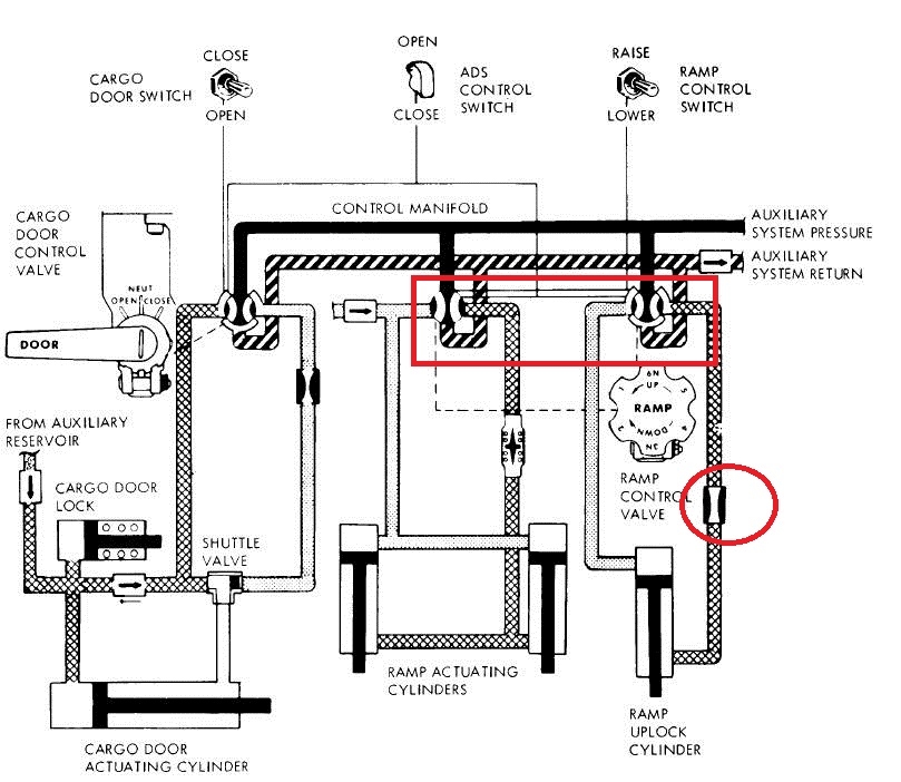
See above picture
-
too much risk
munir abbasi
-


LDG LIMIT SW
in C-130 Technical
Posted
these were damage from main body.
munir abbasi