Jump to content

Air conditioning problem on ground


Check Team FR
 Share

Recommended Posts

At the end of the flight, when the aircraft is reconditioned: When I set the Air conditioning Master Switch to OFF or AUX VENT, the breaker cabin press and AUX Vent triggers after 2 seconds. On positions NO PRESS, PRESS MAN or AUTO PRESS, the breaker does not trip ... I have a doubt about a piece of equipment but I would like to have your avionics opinion. Thank you

Link to comment
Share on other sites

4 hours ago, Check Team FR said:

At the end of the flight, when the aircraft is reconditioned: When I set the Air conditioning Master Switch to OFF or AUX VENT, the breaker cabin press and AUX Vent triggers after 2 seconds. On positions NO PRESS, PRESS MAN or AUTO PRESS, the breaker does not trip ... I have a doubt about a piece of equipment but I would like to have your avionics opinion. Thank you

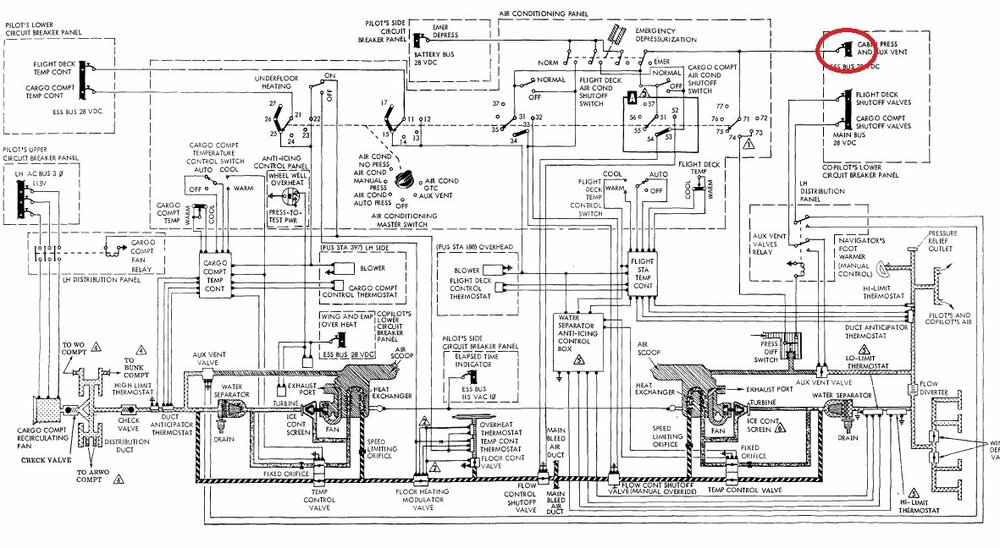
Check wiring of air-conditioning system O IC-130B-13 Safety valve ,  with disconnect of Outflow valve and  aux vent systems connectors one by one

see attach schematic

Munir Abbasi

 

Air  Conditioning CB.jpg

Link to comment
Share on other sites

Thank you I had a second info and when we set the cargo switch and air cond shutoff switch to OFF, the breaker is also triggered after 2 seconds. After a little more in-depth research, we think Flow control shutoff valve cargo, it remains open and trips the breaker when closing. We're going to test the power line just in case, but we're going to replace the valve.

Link to comment
Share on other sites

  • 4 weeks later...

Sounds like some with the AUX VENT circuit?  I remember the only time they open is in OFF & AUX VENT...but tripping when you shut down the cargo pack...maybe not.  It’s likely a valve, versus a solenoid, right?  What about the underfloor heat valve?  Doesn’t it also close when you shut down the cargo AC?

My experience is only on Es & Hs, so not sure what differences in the J....but you didn’t say what model you’re on.

Link to comment
Share on other sites

6 hours ago, AMPTestFE said:

Sounds like some with the AUX VENT circuit?  I remember the only time they open is in OFF & AUX VENT...but tripping when you shut down the cargo pack...maybe not.  It’s likely a valve, versus a solenoid, right?  What about the underfloor heat valve?  Doesn’t it also close when you shut down the cargo AC?

My experience is only on Es & Hs, so not sure what differences in the J....but you didn’t say what model you’re on.

This is C-130H.

Link to comment
Share on other sites

Join the conversation

You can post now and register later. If you have an account, sign in now to post with your account.

Guest
Reply to this topic...

×   Pasted as rich text.   Paste as plain text instead

  Only 75 emoji are allowed.

×   Your link has been automatically embedded.   Display as a link instead

×   Your previous content has been restored.   Clear editor

×   You cannot paste images directly. Upload or insert images from URL.

 Share

×
×
  • Create New...